Ihr zuverlässigster B2B-Lieferant auf dem Markt!

SKF  |  SKU: L.7018 ACDGA P4 SKF -- 7018 ACDGA/P4A

SKF 7018 ACDGA/P4A Spindellager


Variante
€447,32
inkl. MwSt. Versand wird beim Checkout berechnet.

Beschreibung

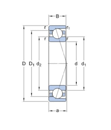
SKF 7018 ACDGA/P4A - präzises nicht zerlegbares einreihiges Kugellager mit schrägverzahntem Kontakt, mit einem Kontaktwinkel von 25°, leichtem Käfig aus phenolharzverstärktem Textilgewebe, das durch die Führung des Außenrings positioniert ist, universell paarbar mit leichter Vorspannung. Das Lager kann axiale Lasten nur in eine Richtung übertragen, daher wird es normalerweise gegen ein zweites Lager eingestellt. Das Innenspiel von einreihigen Kugellagern mit schrägverzahntem Kontakt wird erst nach der Montage erreicht und hängt von der Einstellung der axialen Position gegenüber dem zweiten Lager ab, das die axiale Führung in die entgegengesetzte Richtung sichert. Lager für universelle Paarung werden paarweise montiert und so hergestellt, dass bei der Montage für axiale Lasten in eine Richtung, d.h. im Tandem, oder für axiale Lasten in beide Richtungen, d.h. Rücken an Rücken in "O" oder Stirn an Stirn in "X", ein vorher festgelegtes Innenspiel oder eine Vorspannung oder eine gleichmäßige Lastverteilung ohne Verwendung von Ausgleichsscheiben erreicht wird.

Parametry

Genauigkeit:

P4

Durchmesser D (mm):

90

Durchmesser D (mm):

140

Breite A (mm):

39

Breite B (mm):

24

Winkel (°):

25°

Kennzeichnung:

7018 ACDGA/P4A

DOTAZ PRODEJCI

SKF

SKF 7018 ACDGA/P4A Spindellager

€447,32

Variante

  • Standardoption
Produkt anzeigen