Ihr zuverlässigster B2B-Lieferant auf dem Markt!

SKF  |  SKU: L.7006 CDGA/P4A SKF -- 7006 CDGA/P4A

SKF 7006 CDGA/P4A Spindellager


Variante
€128,60
inkl. MwSt. Versand wird beim Checkout berechnet.

Beschreibung

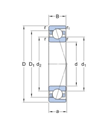
SKF 7006 CDGA/P4A - präzises, nicht zerlegbares einreihiges Kugellager mit schrägem Kontakt, mit einem Kontaktwinkel von 15°, leichtem Käfig aus phenolharzverstärktem Textilgewebe, universell paarbar mit leichter Vorspannung. Das Lager kann axiale Lasten nur in eine Richtung übertragen, daher ist es normalerweise gegen das zweite Lager eingestellt. Das innere Spiel von einreihigen Kugellagern mit schrägem Kontakt wird erst nach der Montage erreicht und hängt von der Einstellung der axialen Position zum zweiten Lager ab, das die axiale Führung in die entgegengesetzte Richtung gewährleistet. Lager für universelle Paarung werden paarweise montiert und so hergestellt, dass bei der Montage für axiale Lasten in eine Richtung, d.h. im Tandem, oder für axiale Lasten in beide Richtungen, d.h. Rücken an Rücken in "O" oder Stirn an Stirn in "X", ein vorher festgelegtes inneres Spiel oder Vorspannung oder eine gleichmäßige Lastverteilung ohne Verwendung von Ausgleichscheiben erreicht wird.

Parametry

Durchmesser D (mm):

55

Breite A (mm):

12,3

Breite B (mm):

13

Maximale Temperatur °C:

+100

Typ:

Spindellager

Winkel (°):

15°

Kennzeichnung:

7006 CDGA/P4A

DOTAZ PRODEJCI

SKF

SKF 7006 CDGA/P4A Spindellager

€128,60

Variante

  • Standardoption
Produkt anzeigen